来源: 干掉整车12V低压蓄电池?CATL的高低压创新集成方案解析
大家有没有好奇过,为啥乘用车上的电瓶都是12V,而不是8V、18V或者20V。这就不得不提汽车上的铅酸电池。相比起现在大家熟悉的新能源锂电池来说,铅酸电池不仅成本低廉,技术也非常成熟,更关键的是它还支持大电流的放电,足以带动燃油车启动机这种需要瞬间很大功率的“电器”。
至于为啥是12V,则是因为铅酸电池的正负极分别是二氧化铅和铅,在硫酸溶液中,二者的电动势差刚好是2V多一点的水平。而目前主流的铅酸电瓶都采用6组电池串联的设计,总电压也就是12V了。
由于燃油车已经发展了几十、上百年,12V的汽车电瓶已经非常成熟,所以几乎车上所有用电的设备都是走12V电压工作的,包括但不限于车窗、中控锁、车机、扬声器、刹车助力等一系列电器设备。新能源电动车作为后来者,为了降低研发和供应链成本,采用现成的12V电子设备自然是最简单有效的方式。
即使目前很多车型采用了4串锂电池串联方案做的低压12V锂电池替代铅酸,包括很多车企的线控底盘开始采用48V系统,但依然受制于必须采用蓄电池这一模式。
宁德的这个方案提出了一种全新的供电架构,可以取消整车低压蓄电池,利用动力电池实现车辆的低压配电,无需低压蓄电池的更换和维护,也无需在整车结构内预留蓄电池的空间,有利于电控系统的布置和简洁化。
下面,我们就通过宁德时代的相关专利,来具体分析如下问题:
1、12V蓄电池的局限性与整车应用端的挑战;
2、宁德时代的创新方案如何取代这些功能。
整车12V蓄电池的应用背景
1、功能定位与历史沿革
传统架构核心:12V 蓄电池作为低压系统核心,为车载控制器(如 BCM、VCU)、灯光、转向助力、制动系统等提供稳定电源,同时承担高压系统预充供电、峰值时的功率补偿功能。
技术局限:
① 能量孤岛:独立于动力电池,需单独充电(依赖车载发电机或高压 DCDC),存在充电效率低、硫化损耗等问题(传统铅酸典型寿命短,更换成本高昂)。
② 空间刚性需求:需固定安装于发动机舱或后备箱,占用一定的空间,且在碰撞中容易受挤压,导致失效。与电动车追求的紧凑化、空间利用率目标冲突(如A 级电动车电池包需扩容时,传统蓄电池位置难以复用)。
③ 低温性能瓶颈:铅酸电池在 - 20℃时容量骤降 50%,导致冬季启动故障,而锂电池方案虽改善性能,但成本与安全性(如过充风险)仍需平衡。
2、新能源汽车的特殊挑战
高压系统依赖:电动车高压上电前需通过 12V 蓄电池预充高压回路(如预充继电器线圈供电),若蓄电池亏电,将导致整车无法启动。
能量管理割裂:低压系统与高压系统独立,需高低压两套 BMS(电池管理系统),集成度低,增加电控复杂度。
法规推动:欧盟《电池法》要求 2025年起电池未来回收利用率逐步达 95%,传统铅酸电池回收污染问题凸显,而取消独立蓄电池可减少整车电池种类,简化回收流程。
宁德时代的12V取代方案
下面,我们就结合宁德时代的相关专利,重点了解一下这个创新方案如何解决没有12V之后的高压上电预充,高压下电及后续低压供电等问题。
1、高压上电预充功能的实现
预充电源切换:
传统方案中,预充继电器(包括上图总正继电器 K1)由 12V 蓄电池供电;
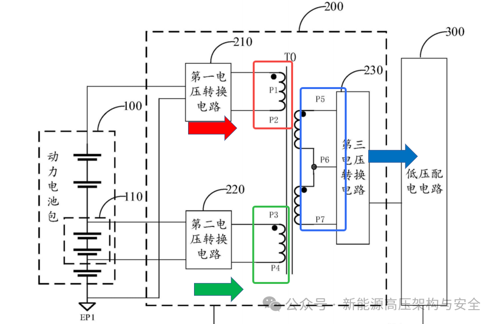
宁德方案中,整车未上高压时,电池组 110(取自动力电池包的部分单元,如 48V 锂离子电池组)通过第二电压转换电路 220(全桥整流逆变电路,下图中 Q5-Q8)将直流电转换为交流电;
经多绕组变压器 T0 的第二绕组耦合至第三、第四绕组,再通过第三电压转换电路 230(半桥整流电路,Q9-Q10)和BUCK 电路 410(Q11-Q12、L3)输出 12V,为预充继电器线圈供电。
电压匹配与安全:
电池组 110 电压(如 48V)通过 DCDC 电路降压至 12V,满足预充继电器工作电压;
同时,主控电路 400 实时监测预充电流,当检测到高压回路电阻异常(如短路),立即切断第二电压转换电路,避免继电器粘连(其中第十三开关单元 Q13 用于电池组充放电管理,防止过流)。
2. 高压下电逻辑与低压持续供电
下电阶段负载过渡:
传统方案中,高压下电后由 12V 蓄电池独立供电;
宁德方案中,主控电路先断开总正继电器 K1、总负继电器 K2(下图中电池管理电路 500),切断高压输出,随后控制第二 DCDC 模块 250(下图中独立 DCDC 模块方案)启动,由电池组 110 继续为低压负载(如车机、氛围灯)供电,直至整车进入休眠状态。
能量回收与电池组保护:
下电前,若低压配电电路 300 存在剩余能量(如电容储能),主控电路控制第一双向开关单元 310(下图中 T1-T2 对顶 MOSFET)导通,将能量通过第一 DCDC 模块 240 回馈至动力电池包 100,同时监测电池组 110SOC,当低于 20% 时触发保护,禁止深度放电。
3.、低压系统全场景覆盖(取代蓄电池核心功能)
① 启动供电:车辆唤醒时,电池组 110 通过第二 DCDC 模块 250 直接为 ECU、传感器供电(取代蓄电池 “冷启动” 功能,
② 功率补偿:当低压负载瞬时功率超标(如启动雨刮 + 空调,超过第一 DCDC 模块 240 额定功率),主控电路激活第二 DCDC 模块 250,由电池组 110 协同供电,避免电压骤降。
③ 故障冗余:若第一DCDC 模块 240 故障,电池组110通过第二 DCDC 模块 250 独立供电,确保制动助力泵、转向系统至少运行30分钟(满足 ISO 26262 ASIL-B 安全等级)。
核心创新点分析
1、DCDC 电路架构
多绕组集成变压器 T0:
包含第一绕组(P1-P2,连接动力电池包 100)、第二绕组(P3-P4,连接电池组 110)、第三 + 第四绕组(P5-P6-P7,并联后连接低压配电电路 300)。
创新点:第三、第四绕组同名端与异名端反接,形成推挽结构,提升低压侧输出效率(较传统单绕组 DCDC 效率提升 5%,达 95% 以上)。
电压转换电路配置:
第一、第二电压转换电路(210/220):全桥整流逆变电路(Q1-Q4/Q5-Q8),支持双向能量流动(动力电池包→电池组 / 电池组→动力电池包),用于电池组均衡。
第三电压转换电路 230:半桥整流电路(Q9-Q10),配合 BUCK 电路 410(Q11-Q12、L3)实现低压恒压输出(12V±0.5V),满足车载电子设备电压精度要求。
2. 主控电路与能量流控制
三端能量流逻辑:
① 高压正常时:动力电池包 100→第一电压转换电路 210→变压器第一绕组→第三 / 第四绕组→第三电压转换电路 230→低压配电电路 300(主供电路径)。
② 高压关断时:电池组 110→第二电压转换电路 220→变压器第二绕组→第三 / 第四绕组→低压配电电路 300(备用路径)。
③ 电池组补电时:动力电池包 100→第一 DCDC 模块 240→低压配电电路 300→第二 DCDC 模块 250→电池组 110(双 DCDC 模块方案)。
工作模式切换:
① 第一工作模式(低压配电为主):Q2、Q3、Q10、Q11 导通,Q1、Q4、Q9、Q12 关断(图 3),适用于常规负载场景。
② 第二工作模式(预充 / 故障应急):Q1、Q4 导通(软开关启动),Q12 导通实现同步整流,确保低功耗下的稳定输出。
3、 低压配电电路设计
负载分级控制:
安全负载(刹车、转向):通过第二负载开关单元 330(图中 T6-T7)连接至第二 DCDC 模块 250,优先供电,主控电路直接控制其通断(响应时间<10μs)。
非安全负载(娱乐系统):通过第一负载开关单元 320(T3-T5)连接至第一 DCDC 模块 240,支持休眠时单独断电,降低静态功耗。
双向开关单元:第一双向开关单元 310(T1-T2 对顶 MOSFET)实现第一 / 第二 DCDC 模块能量互流,支持电池组补电与峰值功率补偿。
总结
宁德的方案实现对传统 12V 蓄电池的功能替代,核心在于多绕组 DCDC 电路与动力电池组的深度整合。
整车厂需在技术端突破高频能量转换与可靠性设计,在商业端平衡成本优势与供应链风险,最终实现从 “双电池系统” 到 “单电池系统” 的革命性升级,契合电动车轻量化、集成化的发展趋势。
— THE END —

发表评论 取消回复